立即注册找回密码

QQ登录

只需一步,快速开始

微信登录

微信扫一扫,快速登录

搜索
小桔灯网 门户 资讯中心 法规政策 查看内容

河北丨发布首个器械注册人制度试点工作审批服务指南

2020-1-15 09:29| 编辑: 面气灵| 查看: 3501| 评论: 0|来源: 河北省药品监督管理局

摘要: 河北发布首个器械注册人制度试点工作审批服务指南写在前言河北省药品监督管理局关于发布《河北省医疗器械注册人制度试点工作审批服务指南(试行)》的公告2020年01月13日 发布为深入落实《河北省医疗器械注册人制度 ...


河北发布首个器械注册人制度试点工作审批服务指南

写在前言

河北省药品监督管理局关于发布
《河北省医疗器械注册人制度试点工作审批服务指南(试行)》的公告


2020年01月13日 发布

为深入落实《河北省医疗器械注册人制度试点工作实施方案》,保障医疗器械注册人制度试点工作与现行监管制度的有效衔接,服务全省医疗器械产业发展,省局研究制定了《河北省医疗器械注册人制度试点工作审批服务指南(试行)》,现予以发布。

特此公告。

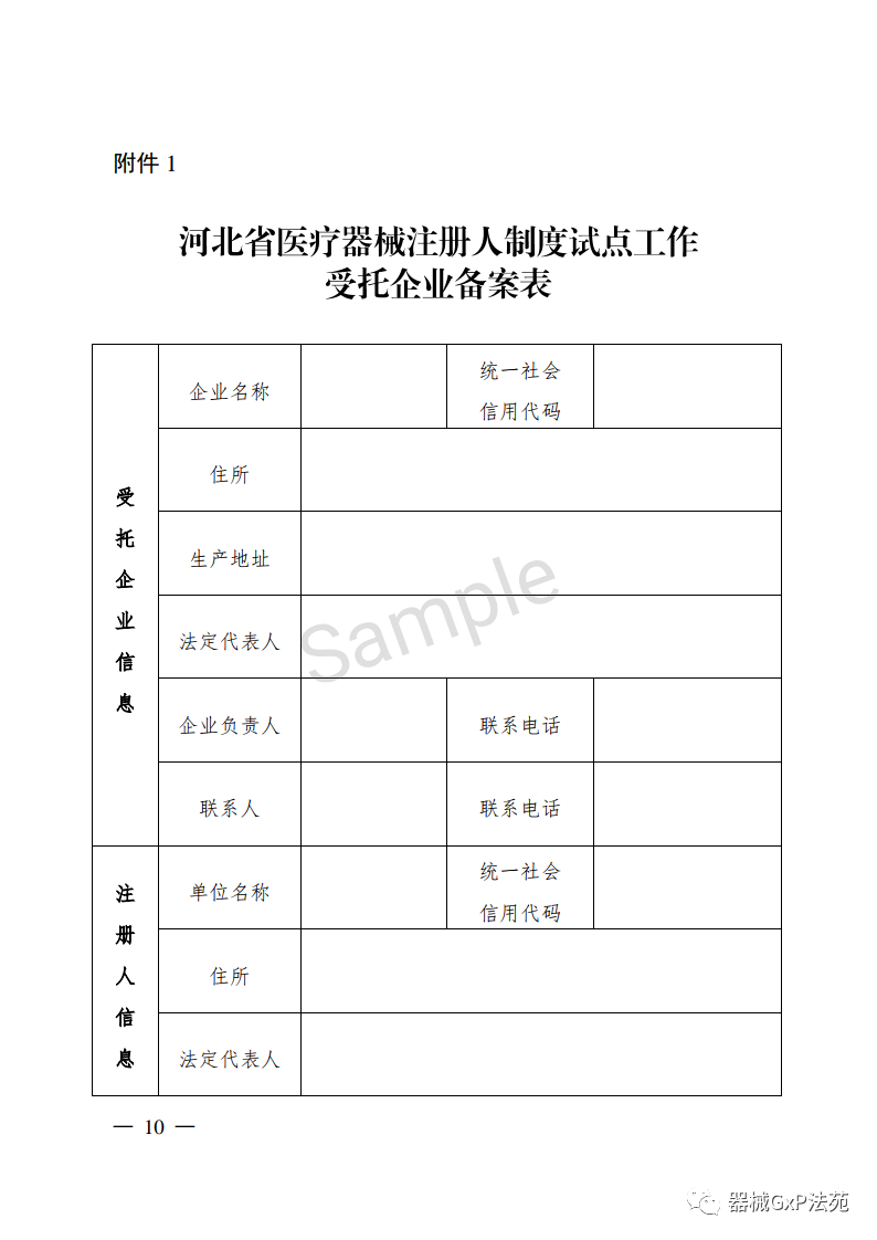
附件:河北省医疗器械注册人制度试点工作审批服务指南(试行)

河北省药品监督管理局

2020年1月10日




声明:
1、凡本网注明“来源:小桔灯网”的所有作品,均为本网合法拥有版权或有权使用的作品,转载需联系授权。
2、凡本网注明“来源:XXX(非小桔灯网)”的作品,均转载自其它媒体,转载目的在于传递更多信息,并不代表本网赞同其观点和对其真实性负责。其版权归原作者所有,如有侵权请联系删除。
3、所有再转载者需自行获得原作者授权并注明来源。

最新评论

关闭

官方推荐 上一条 /3 下一条

客服中心 搜索 洽谈合作
返回顶部